Термошкаф настенный ip55 400x350x600 (ШxГxВ) серый (RAL 7035), SRT05-4035.60-GY
! Ваша цена может стать ниже, зарегистрируйтесь или отправьте запрос
*Внимание! Точную стоимость товара уточняйте у менеджера.
Описание
Описание
Термошкаф уличный (климатический) предназначен для внешнего монтажа на открытых площадках, где оборудование подвергается высоким внешним воздействиям, либо в помещениях с высокой влажностью. Уличный навесной термошкаф представляет собой законченное решение, с системой контроля и поддержания необходимых температур и влажности 365 дней в году. Для размещения оборудования внутри термошкафа предусмотрена монтажная панель.
Корпус выполнен из листовой стали и имеет прочную сварную конструкцию, что говорит о высокой степени антивандальности всепогодного шкафа.
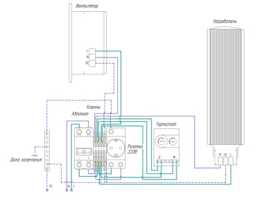
Характеристики и комплектация
Термошкаф уличный навесной серии SRT05 размерами 400x350x600 (ШхГхВ)
Тип – всепогодный
Диапазон рабочей температуры – от -40 до +35 градусов (по запросу исполнение УХЛ от -60 до +40)
Влажность воздуха – до 80%, при 20 градусах
Вентиляция – оборудован фильтрующими элементами при заборе внешнего воздуха и вентиляцией для выхода нагретого.
Обогрев - устанавливается нагревательный элемент мощностью 100-250 Вт (в зависимости от размера шкафа и требований), напряжение питания 220 В AC ±10%, 50 Гц;
Утепление - фольгированный пенофол толщиной 5мм (до 20мм по запросу)
Покрытие шкафа – порошковая краска, по каталогам RAL, стандартно 7035 (серая)
Конструкция - сварная
Монтажная плата (фальшпанель) для размещения оборудования
Кабельные вводы – расположены в основании шкафа и имеют герметичную конструкцию 2шт PG11 и 2шт PG16
Степень защиты – IP55 (пылевлагозащищенный)
Кронштейн для установки на столб (заказывается дополнительно).
Упаковка
Все уличные термошкафы имеют упаковку из картона, перетянутого усиливающими лентами и состоят из одного места для траспортировки.
Совет
В зависимости от размера уличного термошкафа и установленного в нем оборудования, выбирайте оптимальную мощность нагревательного элемента.
Термошкафы рекомендуется использовать для установки электротехнического оборудования.
На заказ!
Возможно изготовление термошкафов любых размеров по заданию Заказчика, а также любая модификация стандартной комплектации.
Задать вопрос из карточки товара
Изображения товара, включая цвет, могут отличаться от реального внешнего вида. Комплектация также может быть изменена производителем без предварительного уведомления. Данное описание не является публичной офертой.








