Узел крепления КГП-7-3
- Для крепления с подвижностью в двух взаимно перпендикулярных плоскостях.
- Разрушающая нагрузка, кН не менее 70
! Ваша цена может стать ниже, зарегистрируйтесь или отправьте запрос
*Внимание! Точную стоимость товара уточняйте у менеджера.
Описание
Пердназначен для крепления с подвижностью в двух взаимно перпендикулярных плоскостях поддерживающих подвесок проводов и креплений молниезащитного троса к металлическим траверсам опор.
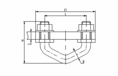
Характеристики
|
Технические характеристики |
|
|
Разрушающая нагрузка, кН |
не менее 70 |
|
Габаритные размеры, мм |
|
|
- D |
16 |
|
- D1 |
17 |
|
- H |
80 |
|
- L |
80 |
|
- L1 |
112 |
|
- Smin |
6 |
|
- Smax |
8 |
|
Масса, кг |
0,44 |
Комплектация
|
Узел крепления |
1 шт. |
Задать вопрос из карточки товара
Изображения товара, включая цвет, могут отличаться от реального внешнего вида. Комплектация также может быть изменена производителем без предварительного уведомления. Данное описание не является публичной офертой.


